Use the arrows or swipe left to view all images for this product
This is an Aftermarket Replacement hinge for the Universal 4 x 3-5/8 KTL adjustable hinge for swinging doors. This hinge is thinner than most adjustable hinges and will replace the old KTL and Columbus 2D hinges with same hole pattern. Fits Windsor Superior and other hinged doors
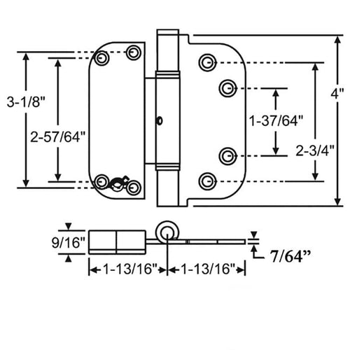
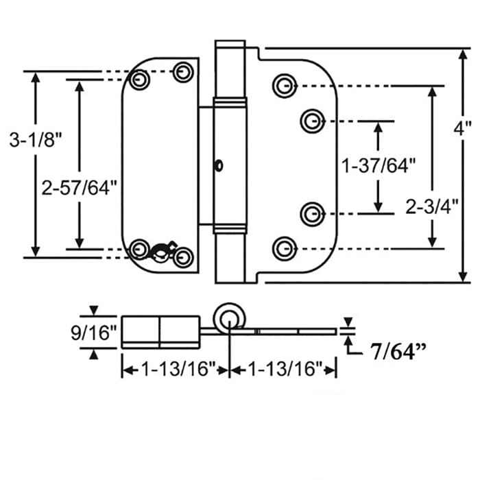
Hinge Type: Adjustable, Horizontal
Pin Type: Non-Removable, set screw in center of pin to secure
Height: 4 inch (101.6mm) Route in door is 3-5/8 inch
Width: 3-5/8 inch (92mm)
Handed: No
Material: Steel
Finish Options:
Polished Brass
White
Thickness, Door side: 9/16 inch (14.2mm)
Thickness, Jamb side: 7/64 inch (2.7mm) ( slightly less than an 1/8 inch )
Country of origin for after market hinge: Taiwan
Typical Door with 3 hinges -
2 x 369900G Guide hinge, Top and Bottom
1 x 369900S Set Hinge, Middle
NOTE: Adjust the vertical hinge up or down, then the horizontal guide hinge in or out as needed.
The screw holes are in the same position, however the adjustment screw is different
