Use the arrows or swipe left to view all images for this product
Andersen 200 Series 3-point Lock, Universal, 62-1/2 Inch Faceplate Length
Part Number: Price: $158.64Andersen 200 Series Active 3-Point Lock Mechanism
Looking hooks at top and bottom
This lock fits ALL Andersen 200 Series Inswing Door panels
Fits Panel Heights: 6-8 (76-3/4 inches), 6-11 (79-5/8 inches), 7-6 (86-3/4 inches), 8-0 (92-3/4 inches)
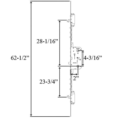
Overall Lock Length 62-1/2" Radius Ends (used on all 4 panel heights -- lock does not extend completely to top or bottom of door panel)
Faceplate Plate Width: 7/8 inch
Backset: 2 inch (50mm)
Center of handle to center of lock: 4-3/16 inches
Bottom Hook: 23-3/4 inches (center of handle to center of hook)
Top Hook: 28-1/16 inches (center of handle to center of hook)
Material: Stainless Steel
For technical drawings, please see our specs PDF for this part.
To Reverse Latch Handing:
1. Insert small screw driver into round hole between latch and deadbolt.
2. Push down on screw driver to release latch
3. Rotate latch and push back into lock
Rehanding an Andersen Multipoint Lock
Looking hooks at top and bottom
This lock fits ALL Andersen 200 Series Inswing Door panels
Fits Panel Heights: 6-8 (76-3/4 inches), 6-11 (79-5/8 inches), 7-6 (86-3/4 inches), 8-0 (92-3/4 inches)
Overall Lock Length 62-1/2" Radius Ends (used on all 4 panel heights -- lock does not extend completely to top or bottom of door panel)
Faceplate Plate Width: 7/8 inch
Backset: 2 inch (50mm)
Center of handle to center of lock: 4-3/16 inches
Bottom Hook: 23-3/4 inches (center of handle to center of hook)
Top Hook: 28-1/16 inches (center of handle to center of hook)
Material: Stainless Steel
For technical drawings, please see our specs PDF for this part.
To Reverse Latch Handing:
1. Insert small screw driver into round hole between latch and deadbolt.
2. Push down on screw driver to release latch
3. Rotate latch and push back into lock
Rehanding an Andersen Multipoint Lock
Add to Card
