Use the arrows or swipe left to view all images for this product

Truth Auxiliary Strike Plate Foot Bolt Keeper 1 Hole Offset

Part Number:15304
COLOR: - Bronze
Please note, this product has been discontinued.

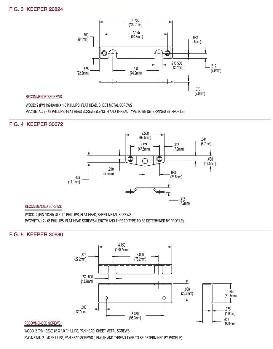
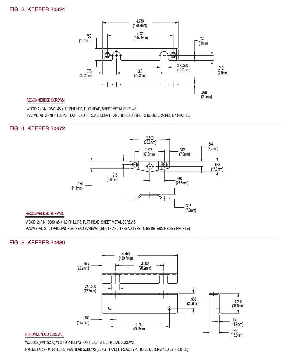
Auxiliary Strike Plate, Foot Bolt Keeper, Truth 1 Hole Offset

Raised 1-hole keeper/Limit Plate
Used with Rectangular or Triangular Foot Operated Patio Door Security Locks.
Number stamped on Keeper: Truth # 30672
Flat 1 hole Strike Plate

Colors: White, Bronze - discontinued

15301 - Triangular Base, .56 inch bolt
15302 - Rectangular Base, .56 inch bolt
15307 - Rectangular Base, .79 inch bolt
15303 - Strike Plate, 2 Hole Flat
15305 - Strike Plate, 2 Hole Angled

This product is similar to or the same as the following part numbers in these brands: <br>Strybuc Industries: 12-265-1 Bronze, 12-265-3 White<BR>Truth: 30672.32 White, &nbsp;30673.03 Bronze